Plastic Selector Switch L16A Series
-

L16A-C
-

L16A-R
-

L16A-S
Description
Plastic Selector Switch L16A Series is designed with versatility and durability in mind, this innovative switch is available in two- and three-position configurations, making it ideal for a variety of applications.
Parameters
|
Switch rating |
Current: 5A,Voltage: 250V |
Contact resistance |
≤ 50mΩ |
|
|
Insulation resistance |
≥ 1000MΩ |
Electrical life |
More than 50,000 times | |
|
Dielectric strength |
1500VAC |
Operation temperature |
-20℃ ~+55℃ | |
|
Operation travel |
About 3mm |
Vibration Resistance |
50Hz,amplitude about 1.2mm |
|
|
Impact resistance |
More than 10g |
Terminal type |
Wiring pins (2.8X0.5mm) |
|
|
Protection level |
IP40 |
Mechanical life |
100,000 times |
|
|
Maximum withstand voltage |
Between the contact and the lamp bead pin |
2000Volts,50Hz AC,1min |
||
|
Between the same extremes |
1000Volts,50Hz AC,1min |
|||
|
Between different electrode terminals |
2000Volts,50Hz AC,1min |
|||
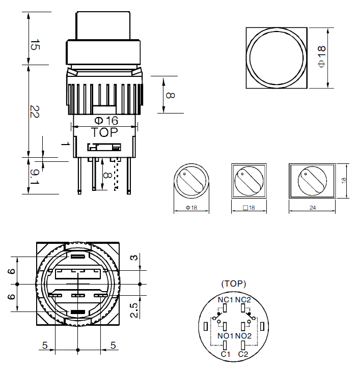
Plastic Selector Switch Drawing

Features
1.L16A series is constructed from high-quality plastic to ensure longevity and reliability even in demanding environments.
2.Mounting hole size is 16mm, making installation simple and hassle-free, allowing you to seamlessly integrate the switch into your existing system.
3.The switch can handle up to 5A, providing powerful performance for a variety of electrical applications.
4.L16A series of plastic selector switches are available in a variety of head shapes, including round, square and rectangular, allowing you to choose the design that best suits your aesthetic and functional requirements. Whether you need simple on/off control or more complex multi-position operation, this switch can easily meet your needs.
5.The L16A series is designed for user-friendly operation. Tactile feedback and clear positioning make it easy to switch between settings, ensuring you can operate your device with confidence. This makes it an excellent choice for industrial and consumer applications where reliability and ease of use are critical.




Push Button Switch
Customized Button & Switch
Signal Indicator Lamp
Warning Light
