Illuminated Push Button Switches 12QC Series
-

HJ12QC/T/S
-

HJ12QC/P/S
-

HJ12QC/D2/P/S
-

HJ12QC/D2/T/S
Description
Illuminated Push button Switches also named push button light switch.The Illuminated Push Button Switches are engineered to handle a maximum current of 0.1A, ensuring reliable performance in various applications.
Parameters
|
Switch rating |
Current: 0.1A,Voltage:36VDC |
Mechanical life |
More than 200,000 times |
|
Electrical life |
More than 50,000 times |
Contact resistance |
≤ 50mΩ |
|
Insulation resistance |
≥ 500MΩ |
Dielectric strength |
1000VAC |
|
Operation temperature |
-20℃ ~+55℃ |
Operation pressure |
About 15-300G |
|
Operation travel |
About 1mm |
Nut torque |
5~14Nm |
|
Protection level |
IP65/IP67 IK10 |
Terminal type |
Wiring pins (2X0.5mm) |
|
Material |
Button: Stainless steel/Nickel Plated Brass /Oxidized Aluminum |
LED Light |
LED color:
Three or two colors can be customized |
| Body:Stainless steel/Nickel Plated Brass /Oxidized Aluminum |
Voltage:6V/12V/24V/110V/220V |
||
| Base: PA |
LED Type: Two way LED beads(AC and DC universal) |
||
| Contact: Silver alloy |
LED life: 40,000 hours |
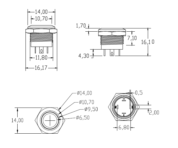
Illuminated Push button Switches Drawing

Features
IP65 or IP67 sealed
Powerful Current Handling: With a maximum current capacity of 0.1A, these switches are ideal for low-power applications and provide reliable solutions for controlling lights, machinery, and other electronic devices. Its efficient design ensures you can operate the system with confidence.
Illuminated Function: The illuminated function of these push button switches enhances visibility, making them easy to locate and operate in low light conditions. This is particularly useful in environments where quick access is critical.
Wiring service
We supply the welding wiring service,you need send us the wiring diagram,we will according to your wiring diagram to weld the wire.

Note:
*A momentary switch is when you push and hold the switch to turn it on. When you release the switch,it will turn off.





Push Button Switch
Customized Button & Switch
Signal Indicator Lamp
Warning Light
